اسپرسوساز استلا یونیک
دستگاه اسپرسوساز استلا یونیک دی کافه یک اسپرسو
ساز صنعتی ساخت شرکت UNIC فرانسه است که در کافی شاپ ها و رستوران ها استفاده می شود. تعمیر برد اسپرسوساز استلا یک کار تخصصی می باشد و کارشناس با تجربه تعمیر برد اسپرسوساز صنعتی باید با ساختار مکانیکی ، الکتریکی و برد کنترلر آن آشنایی کامل داشته باشد.

ساختار اسپرسوساز استلا یونیک
استلا یونیک دی کافه یک دستگاه اسپرسوساز صنعتی با اجزای مکانیکی پرشمار و ساختار پیچیده است. این دستگاه یک قهوه ساز صنعتی است که نوشیدنی های گرم مانند کاپوچینو و آمریکانو را بر پایه اسپرسو می سازد .
اما اسپرسو چیست ؟
و این دستگاه چگونه اسپرسو می سازد ؟

اسپرسو چیست ؟
اسپرسو در واقع شیوه ای برای عصاره گیری نوشیدنی قهوه است . در این روش آب جوش با فشار بسیار بالا را از میان پودر قهوه که به خوبی آسیاب شده است می گذرانند. بدین ترتیب یک نوشیدنی قوی و کم حجم حدود ۲۰ تا ۳۰ میلی لیتر به دست می آید. به دلیل عبور آب جوش با فشار بالا از میان پودر نرم قهوه این نوشیدنی سرشار از کافیین با طعمی ویژه است. همچنین لایه ای از خامه طبیعی که حاصل روغن کشیده شده از پودر قهوه می باشد بر روی آن می نشیند. ( شکل دو)
اسپرسوساز استلا چگونه کار می کند ؟
اجزای اصلی یک دستگاه اسپرسوساز صنعتی از یک محفظه تولید آب جوش، پمپ الکتریکی و سری های مختلف که برای گذراندن آب جوش پرفشار از میان پودر قهوه می باشد تشکیل شده است . اسپرسو ساز استلا دی کافه ( Stella di Cafe) یک دستگاه قهوه ساز صنعتی برای تولید پیوسته و پرشمار اسپرسو است که در آن از پنل های الکترونیکی لمسی و یک برد الکترونیکی جهت اتوماسیون فرایند استفاده شده است.
مشخصه های الکتریکی اسپرسوساز استلا
تعمیرکار با تجربه پیش از تعمیر برد اسپرسوساز استلا باید با ساختار الکتریکی و برق مصرفی اجزای دستگاه آشنایی کامل داشته باشد.
مشخصه های الکتریکی
- برق اصلی ورودی : ۲۳۰ ولت تکفاز و در برخی مدل ها ۴۰۰ ولت سه فاز
- توان الکتریکی مصرفی کل : 6700 وات ( ۶.۷ کیلو وات)
- نصب و سیم کشی : دستگاه نیاز به سیم کشی اختصاصی ، اتصال زمین و کلید های قطع اتوماتیک دارد
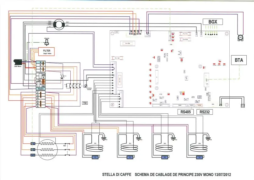
برد الکترونیکی اسپرسوساز استلا
برد الکترونیکی اسپرسو ساز مرکز فرماندهی و کنترل عملکرد همه اجزای مکانیکی و الکتریکی دستگاه می باشد. برای عیب یابی و تعمیر برد اسپرسوساز استلا تعمیرکار باید با سیم کشی و اتصال های برد به دیگر اجزا آشنایی کامل داشته باشد. به دلیل جریان بسیار بالایی که محفظه های آب جوش( بویلر ها) مصرف می کنند قطع و وصل آنها را کنتاکتور های سه فاز انجام می دهند و برد فرمان به کمک رله های قدرت راه انداز آنها را کنترل می کند.

مرکز تخصصی تعمیر برد اسپرسوساز صنعتی
بسیاری از دستگاه ها و تجهیزات تجاری و صنعتی را شرکت های بازرگانی وارد کشور کرده اند که غالبا مرکز خدمات فنی پس از فروش جامعی ندارند و کاربران این تجهیزات گاهی مجبور به تعویض دستگاه به دلیل خرابی برد الکترونیکی آن می شوند . پرداد سیستم مرکز تخصصی تعمیر برد صنعتی در غرب تهران با نزدیک به دو دهه تجربه در تعمیرات برد دستگاه ها و تجهیزات صنعتی با بهره گیری از کارشناسان متخصص و با تجربه آماده ارایه خدمت به فعالان تجاری و صنعتی می باشد . خرابی دستگاه پایان راه نیست ، تخصص ما احیای آن است .

تعمیر برد اسپرسوساز استلا
شکل چهار، تصویر برد اسپرسوساز استلا را نشان می دهد. صاحب دستگاه اسپرسو ساز اظهار داشت که کنتاکتور دستگاه حدود ۱۰ تا ۲۰ ثانیه پس از روشن شدن خاموش می شود. پس از بررسی فنی اجزای الکتریکی و اتصالات مشخص شد که منشا ایراد برد فرمان می باشد . برد برای کنترل اجزای الکتریکی، سیگنال هایی را از آنها دریافت و پس از پردازش فرمان های لازم را ارسال می کند . خرابی در این بخش می تواند باعث اختلال در عملکرد دستگاه باشد.
گارانتی تعمیر برد اسپرسوساز استلا
در پرداد سیستم مرکز تخصصی تعمیر برد صنعتی ، کارشناس با تجربه پس از دریافت گزارش فنی از سرویسکار ، برد را به دقت بررسی و عیب یابی می کند. سپس قطعات معیوب با قطعات مرغوب صنعتی تعویض می شوند . برد تعمیر شده با مهلت تست و گارانتی تعمیر برد تحویل مشتری داده می شود.
منابع و یادگیری
در سایت پرداد سیستم مرکز تخصصی برد صنعتی در غرب تهران مطالب فنی و اطلاعات عمومی جهت صاحبان دستگاه ها ارایه می شوند . در پیوند های زیر می توانید نمونه تعمیرات برد صنعتی و اطلاعات بیشتر درباره اسپرسو ساز صنعتی استلا را بیابید :
مشاوره رایگان
- اگر شما هم محصول مشابهی دارید که این خرابی یا مشکل را دارد هم اکنون با ما تماس بگیرید .
- اگر با موبایل وارد شدید بر روی آیکون تلفن برای تماس فوری کلیک کنید.
- اطلاعات کامل تماس و نشانی را با کلیک بر روی دکمه زیر نیز می توانید ببینید.















